Prasowanie przetłoczne - różni się od prasowania tłocznego sposobem doprowadzania tłoczywa do gniazda formującego. Prasowanie przetłoczne może być przeprowadzane przy użyciu prasy podwójnego działania:
- pionowej
- poziomej
W procesie tym tłoczywo nie jest wprowadzone bezpośrednio do gniazda formującego, lecz do komory przetłocznej (4), a z niej w stanie plastycznym jest przetłaczane pod działaniem tłoka - przetłocznika (8) przez kanał przetłoczny (6) do gniazda formującego (2).
Schemat procesu prasowania przetłocznego przy użyciu prasy o działaniu pionowym:
a) napełnianie komory przetłocznej, b) forma zamknięta, c) wypychanie wypraski; 1 - stempel, 2 - gniazda formujące, 3 - matryca, 4 - komora przetłoczna, 5 - tłoczywo, 6 - kanał przetłoczny, 7 - wypraska, 8 - tłok przetłoczny (przetłocznik), 9 - wypychacz
Prasowanie przetłoczne przy użyciu prasy poziomej
W porównaniu z prasowaniem tłocznym metoda ta daje szereg korzyści ekonomicznych i technologicznych takich jak:
- większą szybkość utwardzania
- mniejsze ścieranie się powierzchni form
- mniejsze odkształcenie cienkich wkładek metalowych
- lepszą jednorodność wyprasek w całej masie
- lepszy wygląd powierzchni oraz lepsze własności dielektryczne
- możliwość formowania wyprasek o skomplikowanych kształtach i z delikatnymi zapraskami, których nie da się uzyskać w formach tłocznych
Warunki prasowania przetłocznego różnią się od warunków prasowania tłocznego. Ścisłe określenie i zachowywanie ciśnień, temperatur i czasów formowania stanowi podstawowy warunek dobrych wyników i wydajności. Temperatura powinna być regulowana jeszcze dokładniej niż przy prasowaniu tłocznym i jest zwykle trochę niższa ze względu dodatkowe nagrzewanie się tłoczywa na skutek tarcia podczas przetłaczania. Wynosi ona:
- dla tłoczyw mocznikowych 125 - 140 [C] (358 - 413 [K])
- dla tłoczyw melaminowych 135 - 150 [C] (408 - 423 [K])
- dla tłoczyw fenolowych 150 - 170 [C] (423 - 433 [K]) - 180 - 190 [C] (453 - 463 [K]).
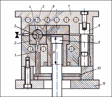
Forma do prasowania przetłocznego, zwana formą przetłoczną, składa się w istocie z takich samych podzespołów, układów i elementów co forma tłoczna z tą różnicą, że ma komorę przetłoczną. Na rysunku pokazano przykładową formę przetłoczną do tworzyw utwardzalnych.

Forma przetłoczna:
1 - wypychacz, 2 - matryca, 3 - zapraska, 4 - wypraska, 5 - kanały grzejne, 6 - matryca, 7 - płyta podzespołu ruchomego, 8 - słup prowadzący, 9 - tłok przetłoczny (przetłocznik), 10 - płyta układu wypychania wypraski, 11 - płyta mocująca podzespołu nieruchomego, h - wysokość komory przetłocznej


